G-Power GPU 電源連接線,適用於 NVIDIA RTX 4090/4080/4070Ti/3090Ti – 12+12Pin 電源插頭,16AWG 無鹵素

Cart Image PN: RTX-PCIPWR12+12P-LLL
Cart Image Inventory quantity: 0 pieces in stock (orders without stock are allowed)
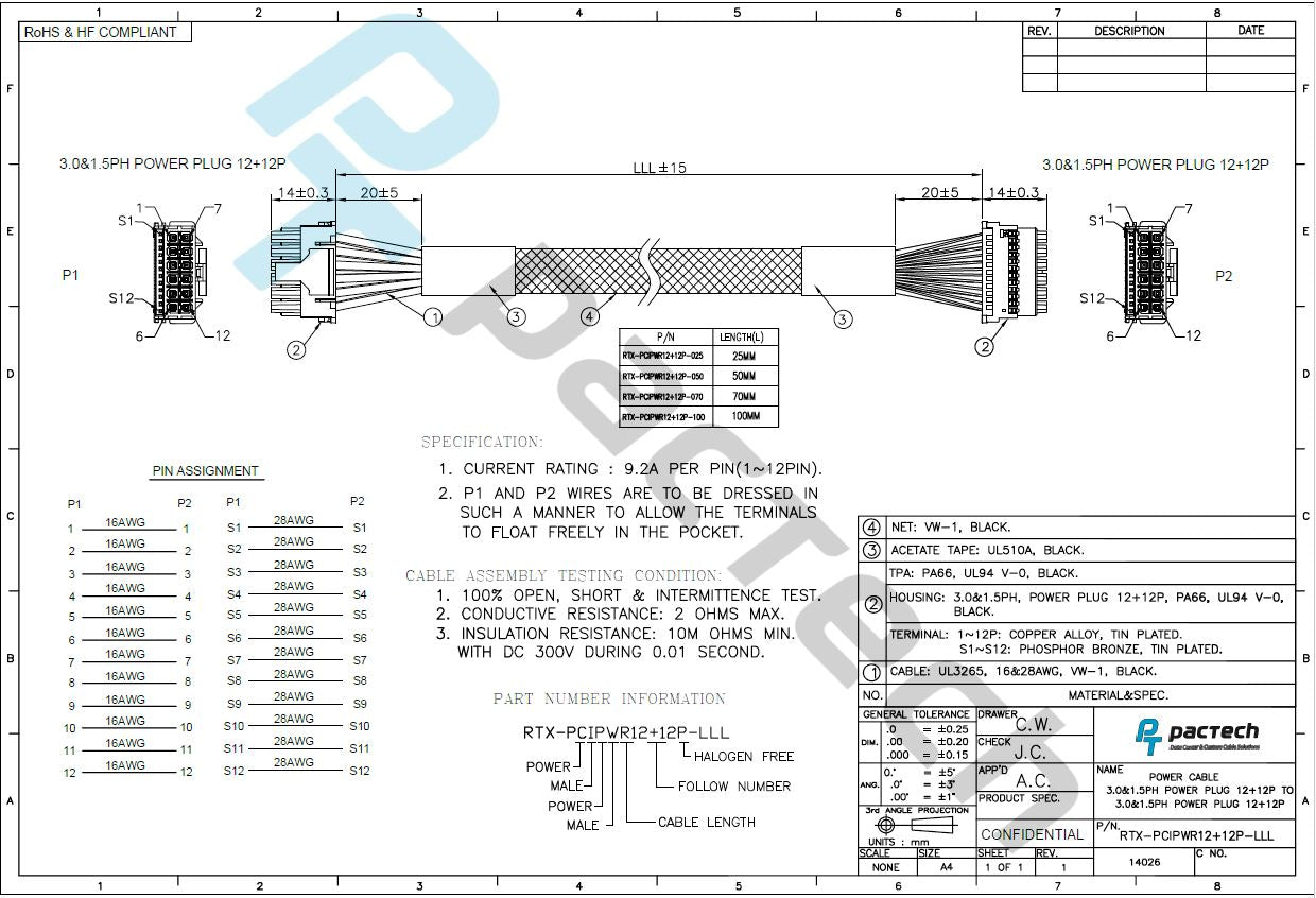
  • 3.0 & 1.5PH 電源插頭(12+12Pin)與 16AWG 線材
  • 無鹵素 UL3265 16AWG 線材
  • 適應狹小空間,柔性套管使佈線更纖細靈活
  • US本地製造,研發快,樣品和首件檢測快速交付
  • 標準線長:0.25M、0.5M、0.7M、1M
  • 提供客製化與特殊長度選項(詳情請聯繫我們)
  • 量產並提供批量優惠
  • 聯絡我們取得報價

Lead time: 庫存商品需要 2-3 個工作天

Special Orders

  • Delivery time 特殊訂單需要 4-8 週

全新彎頭 GPU 電源連接線,搭載 3.0 & 1.5PH 電源插頭(12+12Pin)與 16AWG 線材,專為 NVIDIA GeForce GPU 卡設計,適用於 RTX 4090 / 4080 / 4080 SUPER / 4070Ti / 4070Ti SUPER / 4070 / 3090Ti / 3090 / 3080 Ti / 3080 / H100 / H200


F27 RTX-PCIPWR12+12P-070:3.0 & 1.5PH 電源插頭(12+12Pin)與 16AWG 線材,黑色

Part Number Cable Length
RTX-PCIPWR12+12P-025 250mm
RTX-PCIPWR12+12P-050 500mm
RTX-PCIPWR12+12P-070 700mm
RTX-PCIPWR12+12P-100 1000mm

我們還提供客製化選項,以確保我們的新 RTX 系列電纜適合任何狹小的空間和狹窄的環境或滿足任何其他間隙限制。

Frequently Asked Questions

A:

Yes, you can request product customization either directly through the product page or by leaving your information on our Contact Us page. We will reach out to you promptly.

A:

We accept the following payment methods:

Credit Card (Visa, MasterCard, American Express, Discover, Diners Club), PayPal, & Google Pay

A:

Once your products have been shipped, delivery typically takes 5-7 business days. However, all delivery dates are estimates and may vary due to various factors. For more details, please refer to our Shipping Protocol.

A:

We offer different shipping options with varying delivery times and prices. If you need a product urgently, you can reach out to us before you place orders, we will try our best to suit your needs.